客服热线:400-633-8600
中文
English
首页
E-MAIL
关于韩荣
公司简介
经营理念
组织结构
认证证书
厂区概况
企业视频
公司据点
产品中心
产品展示
新闻中心
最新新闻
产品资讯
服务中心
客户服务
产品应用
成功案例
服务承诺
员工关怀
人才招聘
环境保护
环境保护
社会参与
联系方式
联系我们
电子地图
当前位置:
首页
>>
DC插座
>>
DC-049A
新品推荐
多功能开关
轻触开关
检测开关
拨动开关
带灯开关
按键开关
拨码开关
微动开关
耳机插座
DC插座
电池座
其他产品
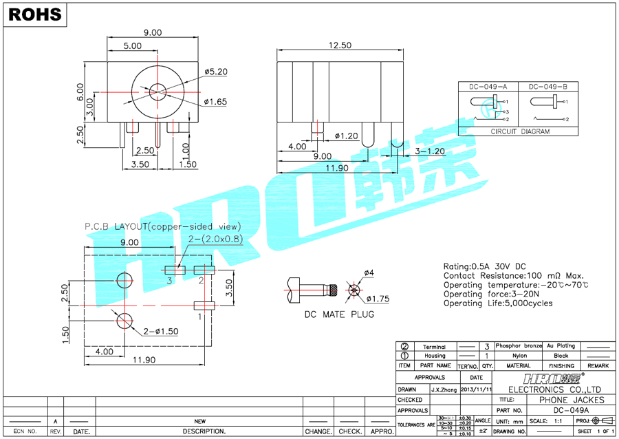
DC-049A
DC-049A
规格:12.50mm*9.00mm
插拔力:3-20N
内芯:¢1.65
DC插座
技术参数:
1. 额定负荷: DC 30V 0.5A
2. 接触阻抗: ≤100mΩ
3. 绝缘阻抗: DC 500V 1Minute
4. 耐焊温度: 250±5°5s
5. 使用寿命: 5,000 cycles
6. 使用温度: -20 ℃ to 70 ℃
7. 使用湿度: ≤85% RH
8.
操作力:
3-20N
应用:数码产品、便携设备、电脑、通讯产品、安防产品等。
规格书下载
在线客服
图文详情