客服热线:400-633-8600
中文
English
首页
E-MAIL
关于韩荣
公司简介
经营理念
组织结构
认证证书
厂区概况
企业视频
公司据点
产品中心
产品展示
新闻中心
最新新闻
产品资讯
服务中心
客户服务
产品应用
成功案例
服务承诺
员工关怀
人才招聘
环境保护
环境保护
社会参与
联系方式
联系我们
电子地图
当前位置:
首页
>>
多功能开关
>>
K1-1202UA-01
新品推荐
多功能开关
轻触开关
检测开关
拨动开关
带灯开关
按键开关
拨码开关
微动开关
耳机插座
DC插座
电池座
其他产品
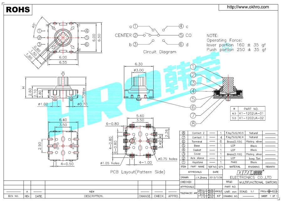
K1-1202UA-01
K1-1202UA-01
规格:6.50mm*6.50mm
操作力:160gf/250gf
功能:左右上下中
五向开关技术参数:
1. 额定负荷: DC 12V 50mA
2. 接触阻抗: ≤100mΩMAX
3. 绝缘阻抗: ≥100MΩMIN
4. 耐焊温度: 260±5°5s
5. 使用寿命: 100,000 cycles
6. 使用温度: -25 ℃ to 85 ℃
7. 使用湿度: ≤85% RH
8. 操作力: 160gf/250±35gf
应用:数码产品、安防、电脑、通讯产品、家用电器、智能交通、穿戴产品。
规格书下载
在线客服
图文详情